齿轮加工定制厂家高精度·高转速·高寿命
广东一同传动有限公司(精密齿轮加工厂家)前身专注于汽车变速箱齿轮10+年,拥有丰富的经验和设计技术团队,以及配套齐备的硬件设施。
每个企业,想成长都需创新理念 科技创新就是我们追求的方向 一同传动,研发人数超过10人 其中,研究生3人以上 根据客户要求,提供完整解决方案 更高端的精密产品,我们能行。
配备车齿、滚齿、剃齿、研齿、插齿、磨齿等齿轮加工工艺,使用进口数控机械设备:日本龙泽车床、三菱滚齿机(带自动上下料)、德国埃马克科普费尔滚齿机(带自动上下料)、德国利勃海尔数控插齿机、德国德马吉DMG卧式加工中心(带5个工作台) 等。
一同传动,网上提供标准件齿轮,价格比线下优惠30%,货期更快,价格实惠,实力厂家,欢迎来厂来电考查!
研磨齿轮是精密加工中一种重要加工方法,其优点是加工精度高,加工材料范围广。
斜齿轮是轮齿为倾斜齿线的圆柱齿轮。与正齿轮相比,斜齿轮啮合时有传动平稳,啮合性能好,重合率高,强度高,静音,振动小等优点,并且能传动大功率。
圆柱齿轮为齿轮中的一大分类,包括直齿轮,斜齿轮,内齿轮,齿轮轴,蜗轮蜗杆及人字齿轮等等,是最为普遍的一种齿轮样式。
减速机齿轮为减速机中重要的零部件,一同厂家提供加工定制服务,模数规格齐全,厂家直销,欢迎选购!
齿轮泵齿轮为齿轮泵重要的组成部分,一同厂家提供定制加工服务,模数参数规格齐全,欢迎选购。
内齿轮经常使用在行星齿轮机构和齿轮联轴器中。最常见的行星齿轮机构有行星型、太阳型和星型。根据其类型及输入、输出轴的设定变化,可以设计出各种不同传动比及旋转方向的组合。
齿轮齿条为重要的直线运动方式,其工作原理是将齿轮的回转运动转变为齿条的往复直线运动,或将齿条的往复直线运动 转变为齿轮的回转运动。齿轮齿条传动具有承载力大,精度较高等优点,目前得到广泛应用。
由蜗杆和涡轮组成,蜗杆驱动涡轮,机构常用来传递两交错轴之间的运动和动力。产品具有可以得到很大的传动比、传动平稳、低噪音、自锁性等特点,通常使用在需要大减速的场合。
精密锥齿轮等在减速机,行星减速机,减速器等得到了广泛应用。
齿轮被广泛应用于数控机床,机床,机床变速箱等机械设备。
精密齿轮在工业机器人,机械手,机器人第七轴,机器人关节等机械设备上得到广泛应用。
齿轮在医疗器械设备中的应用。
螺旋伞齿轮等在汽车,机车及摩托车等中的应用。
齿轮在油泵,液压泵等泵中的应用。
公司最新动态
技术支持
媒体视点
常见问题
13380197236
一同公司最新动态,齿轮加工工艺技术分享
发表时间:2020-05-21 网址:https://www.utransm.com/ 编辑:一同传动
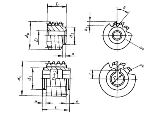
齿轮滚刀是按螺旋齿轮啮合原理加工直齿和斜齿圆柱齿轮的一种刀具。其中,小模数齿轮滚刀3大特点说明分别如下,供参考了解。
常用材料有硬质合金以及高速钢。
特别是在加工修正摆线齿轮以及其他非渐开线齿轮的时候。
因为小模数齿轮滚刀螺旋角小,直槽制造简单,直槽滚刀刀齿是逐渐切入齿坯,所以切削平稳,切削角不对称带来的误差影响小。
以上就是今天分享的小模数齿轮滚刀3大特点说明,如有相关疑问或齿轮加工需求,可向一同厂家免费咨询。
<上一篇:小模数齿轮的2类加工方法:无切削加工及有切削加工
>下一篇:加工轴及带孔类齿轮用立式滚齿机夹具相关说明
2023-02-15
2023-02-14
2023-02-13